Co.Lab The Shape of Touch – The Architecture of Handle

Simon, Alice and Nok Group

Site: Birmingham New Street Station, Foreign Office Architects/AZPML, 2015

Site visit – Birmingham new street station
Close up to the facade
The roof top
Zoom in to the fabric arc roof

Artist: Ruth Claxton

Ruth Claxton ‘LANDS END’
Ruth Claxton ‘FOUND’ ceramic piece
Zoom in to the surface of the artwork

Sketches

Birmingham new street station facade by Nok
fabric roof top by Nok

Visual drawings

by Alice
by Alice

Research

The detailed facade structure of the new street station

Initial sketches/ideas to the handle

inserting a skeleton frame to the door handle and cover with steel strip. Getting inspiration from the facade of the station by Nok

Collage of the initial idea

In response to the artist Ruth Claxton. Covering with the special texture by Alice

Initial thought to the site

Within our Design we want to make a defined push plate and pull handle because in new street station the doors don’t differentiate between the two, we wanted to create a clearer means of reading a door, so a push place is clearly a push and a pull handle is clearly a pull.
We wanted to create something that is ergonomic for the hand, so the user is comfortable pulling the door handle open.

Second initial sketch

pull handle with figuring surface by Simon

We have chose Simon’s idea as the final idea

different door handle idea by Nok
hexagon shape handle by Alice

Detail drawing of the door handle idea

pull handle and push plate by Simon
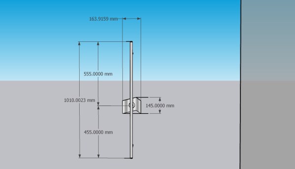
dimension of the push plate by Simon
simulating handle being established on the shop door by Simon

material research (Kula, Daniel, Elodie Ternaux, and Quentin Hirsinger. Materiology: The Creative’s Guide to Materials and Technologies. Birkhauser, 2013. Print.)

Working process – making dirty prototype

making the shape to slot in the ceramic by Alice
using laser cutting to make the prototype by Alice
hammering the timber plate to make the texture by Simon and Alice
spray painting on the timber to make the steel surface by Alice
Casting the push plate by Simon
The two prototype pull handle body by Simon
foam board prototype by Nok
Scanned 1:1 drawing of the handle

Working towards the refined prototype

finished push plate surface by Alice
creating the mould by Simon
kind of failed as the mould fell apart
needed to recast the mould
This was our first attempt at creating a mould to cast our Pewter metal into. We glued the 3D printed model part
into the lid of the tub, mixed up the cement and filled the pot with the liquid cement. This was allowed to cure, the plan was to remove the 3D printed part, however this presented significant issues. The model part couldn’t be removed from The cement, we tried to remove the part by tapping it out with a hammer and a flat screwdriver. We were finding that the model part was snapping along where the 3D printer had built up the layers. We had to abandon this form as it was damaged and we wouldn’t have achieved a good cast from it. If we were to undertake this method of casting again we should cast it half and half down the length and then join the two together so form can be removed easier.
the steel part by Simon
We used liquid latex to dipped onto the 3D printed chip and then poured plaster of paris into the latex mould, however the casting is very rough, it was very hard to get an accurate and high quality casting using this method, we decided to discard this approach and experiment with pressing the 3D printed “chip“ into some spare black modelling clay that was left over from a previous experiment. This yielded a much more usable piece and was quickly and easily replicable. by Simon
by Simon
aving rendered the 3D printed form for the pewter bar unusable, we had to think quickly about how to replicate a replacement. We decided to use a offcut of the 25mm black PVC piping filled with plaster to create the semicircular bar form needed to cast a new mould, the semicircular bar was wrapped tightly in clingfilm to allow for the easy removal from the subsequent casting. by Simon
by Simon
Having successfully removed the semicircular bar the mould was allowed to cure for several days with a final heating in the oven on a very low heat to ensure no water remains in the mould as this could cause an explosion. I melted down 250g of pewter and some scrap that i had left from a previous batch. Once molten Borax was added to help remove any impurities. The metal was the cast into the Plaster of Paris mould.

Final model

process of choosing the pattern of the push plate

Final outcome of the push plate